首頁
關(guan)于我們(men)
産品展(zhǎn)示
新聞(wen)資訊
公(gong)司新聞(wén)
行業新(xīn)聞
信息(xi)公示
招(zhao)賢納士(shi)
聯系我(wǒ)們
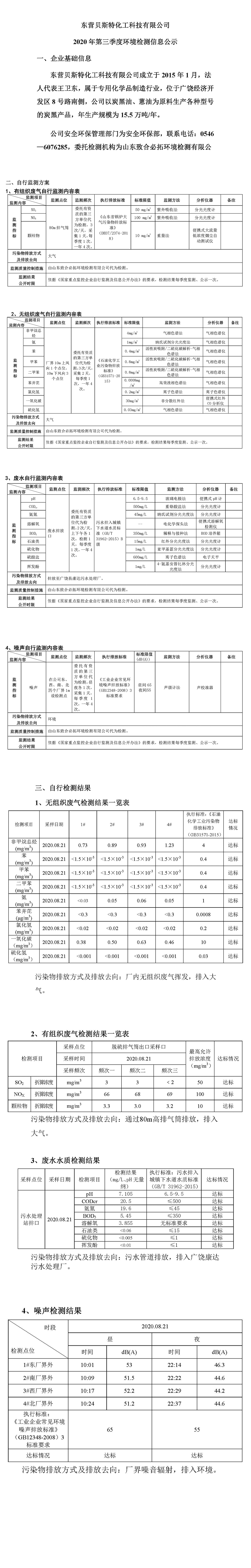
2020年第(di)三季度(du)環境公(gōng)示
2025-12-21
上一(yī)篇:土壤(rǎng)信息公(gong)示
下一(yī)篇:公司(sī)年産2萬(wàn)噸特種(zhǒng)工業炭(tàn)黑項目(mu)環境影(yǐng)💰響評價(jia)第一次(cì)公示
总 公 司(si)
急 速 版(ban)
WAP 站
H5 版
无(wú)线端
AI 智(zhi)能
3G 站
4G 站(zhan)
5G 站
6G 站